Product Summary
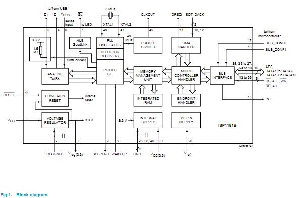
The ISP1181BDGG is an Universal Serial Bus (USB) peripheral controller that complies with Universal Serial Bus Specification Rev. 2.0, supporting data transfer at full-speed (12 Mbit/s). It provides full-speed USB communication capacity to microcontroller or microprocessor-based systems. The ISP1181BDGG communicates with the system’s microcontroller or microprocessor through a high-speed general-purpose parallel interface. The ISP1181BDGG is ideally suited for application in many personal computer peripherals such as printers, communication devices, scanners, external mass storage (Zip drive) devices and digital still cameras. It offers an immediate cost reduction for applications that currently use SCSI implementations.
Parametrics
ISP1181BDGG absolute maximum ratings: (1)VCC, supply voltage: -0.5 to +6.0 V; (2)VI, input voltage: -0.5 to VCC + 0.5 V; (3)Ilatchup, latch-up current: 100 mA; (4)Vesd, electrostatic discharge voltage: ±2000 V; (5)Tstg, storage temperature: -60 to +150℃; (6)Ptot, total power dissipation: 165 mW.
Features
ISP1181BDGG features: (1)Complies with Universal Serial Bus Specification Rev. 2.0 and most Device Class specifications; (2)Supports data transfer at full-speed (12 Mbit/s); (3)High performance USB peripheral controller with integrated Serial Interface Engine (SIE), FIFO memory, transceiver and 3.3 V voltage regulator; (4)High speed (11.1 Mbyte/s or 90 ns read/write cycle) parallel interface; (5)Fully autonomous and multi-configuration DMA operation; (6)Up to 14 programmable USB endpoints with 2 fixed control IN/OUT endpoints; (7)Integrated physical 2462 bytes of multi-configuration FIFO memory; (8)Endpoints with double buffering to increase throughput and ease real-time data transfer; (9)Seamless interface with most microcontrollers/ microprocessors; (10)Bus-powered capability with low power consumption and low suspend current; (11)6 MHz crystal oscillator input with integrated PLL for low EMI; (12)Controllable LazyClock (100 kHz ± 50 %) output during suspend; (13)Software controlled connection to the USB bus (SoftConnect); (14)Good USB connection indicator that blinks with traffic (GoodLink).
Diagrams

| Image | Part No | Mfg | Description | ![]() |
Pricing (USD) |
Quantity | ||||
|---|---|---|---|---|---|---|---|---|---|---|
![]() |
![]() ISP1181BDGG |
![]() NXP Semiconductors |
![]() USB Interface IC USB CNTRLR FULL-SPD |
![]() Data Sheet |
![]() Negotiable |
|
||||
![]() |
![]() ISP1181BDGG,118 |
![]() NXP Semiconductors |
![]() USB Interface IC USB 1.1 DEVICE CONTROLLER |
![]() Data Sheet |
![]() Negotiable |
|
||||
![]() |
![]() ISP1181BDGGTM |
![]() |
![]() IC USB HOST CTRL FLL-SPD 48TSSOP |
![]() Data Sheet |
![]() Negotiable |
|
||||
(Hong Kong)











