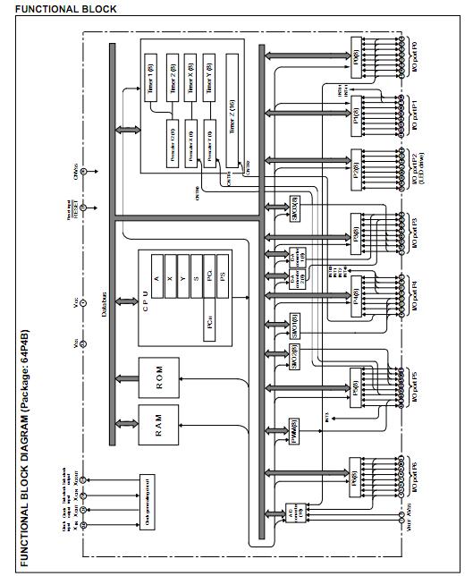
Product Summary
The M38039FFFP is an 8-bit microcomputer based on the 740 family core technology. The M38039FFFP is designed for household products, office automation equipment, and controlling systems that require analog signal processing, including the A-D converter and D-A converters. The M38039FFFP is the version of the 3803 group to which an I2C-BUS control function has been added.
Parametrics
M38039FFFP absolute maximum ratings: (1)Power source voltage, VCC: -0.3 to 6.5V; (2)Input voltage, VI: -0.3 to VCC+0.3V; (3)Output voltage, VO: -0.3 to VCC+0.3V; (4)Power dissipation, Pd: 1000mW; (5)Operating temperature, Topr: -20 to 85℃; (6)Storage temperature, Tstg: -65 to 125℃.
Features
M38039FFFP features: (1)Basic machine-language instructions: 71; (2)Minimum instruction execution time: 0.24 μs (at 16.8 MHz oscillation frequency); (3)Memory size, ROM: 16 K to 60 K bytes; RAM: 640 to 2048 bytes; (4)Programmable input/output ports: 56; (5)Software pull-up resistors: Built-in.
Diagrams

![]() |
![]() M3800 |
![]() Heyco |
![]() Cable Mounting & Accessories LTSCG 500 BLACK |
![]() Data Sheet |
![]()
|
|
||||||
![]() |
![]() M38007T-ADS |
![]() |
![]() DEV TEMPORARY TARGET BOARD FOR M |
![]() Data Sheet |
![]()
|
|
||||||
![]() |
![]() M38007T-PRB |
![]() |
![]() EV 64-PIN RSS/MCU TO .5, .65 & . |
![]() Data Sheet |
![]()
|
|
||||||
![]() |
![]() M3802 |
![]() Heyco |
![]() Cable Mounting & Accessories LTRSCG 500 BLACK |
![]() Data Sheet |
![]()
|
|
||||||
![]() |
![]() M3808 |
![]() Heyco |
![]() Cable Mounting & Accessories LTRSCG 625 BLACK |
![]() Data Sheet |
![]()
|
|
||||||
![]() |
![]() M3806 |
![]() Heyco |
![]() Cable Mounting & Accessories LTSCG 625 BLACK |
![]() Data Sheet |
![]()
|
|
||||||
(Hong Kong)








